WDGWA10M20
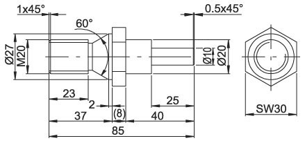
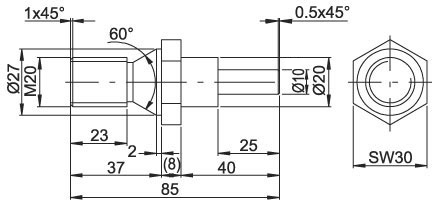
Adaptador de eje M20 WDGWA10M20
para encoders de eje hueco ciego y de eje hueco pasante de Ø 10 mm
o acoplamientos de Ø 10 mm,
rosca M20.

Illustration similar
Rosca
M20
Número(s) de pedido
WDGWA10M20
Adaptador de eje
Visor STEP / Ficheros STEP:
El fichero STEP que desea no figura en la lista:
Solicitud de ficheros STEP aquí
For further information please contact our local distributor.
Here you find a list of our distributors worldwide
Here you find a list of our distributors worldwide
¿Quieres conseguir una oferta o desea una retirada. Solicitud









