WDGMA10000
Brazo de resorte con encoder tipo
58B, 58D, 58K, 58N y 58T
para detección de longitud

Illustration similar
Highlights
- Montaje libre: desde abajo, desde arriba, en horizontal, en vertical
- Fuerza de pretensado ajustable: 20 N, 25 N y 30 N
- Combinable con todas las ruedas de medición con 500 mm de circunferencia
- Disponible en dos direcciones de carga
Recorrido de resorte
Recorrido de resorte en pretensado:
20 N = 50° ca. 90 mm
25 N = 45° ca. 84 mm
30 N = 40° ca. 77 mm
Gewicht
aprox. 760 g
Número(s) de pedido
WDGMA10000
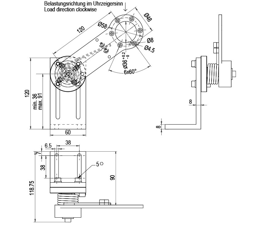
Dirección de carga en sentido antihorario
WDGMA10002
Dirección de carga en sentido horario
For further information please contact our local distributor.
Here you find a list of our distributors worldwide
Here you find a list of our distributors worldwide
¿Quieres conseguir una oferta o desea una retirada. Solicitud










