SPEEDMATEWIN
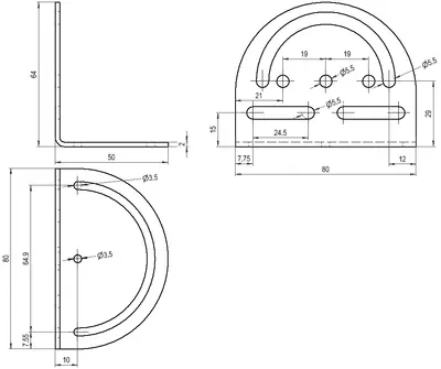
Mounting angle SPEEDMATEWIN
suitable for speedMATE® - Non-Contact optical speed measurement.

Illustration similar
Número(s) de pedido
SPEEDMATEWIN
Mounting angle for speedMATE
Visor STEP / Ficheros STEP:
El fichero STEP que desea no figura en la lista:
Solicitud de ficheros STEP aquí
For further information please contact our local distributor.
Here you find a list of our distributors worldwide
Here you find a list of our distributors worldwide
¿Quieres conseguir una oferta o desea una retirada. Solicitud









