Encoder, incremental,
Número de impulsos: hasta 25000 ppr,
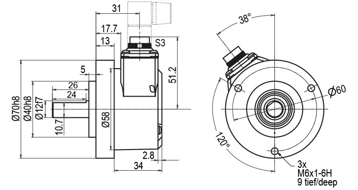
eje saliente, brida de sujeción: Ø 70 mm
(sustituye WDG 90B)
Eje: Ø 12 mm,
Clase de protección: hasta IP67 todo alrededor,
Forma de las señales: Rectángulo o seno/coseno,
Principio de funcionamiento: óptico.

- Robusto encoder industrial estándar
- Carcasa: Aluminio fundido a presión con recubrimiento de polvo particularmente amable con el medio ambiente
- Gracias a electrónica de alta calidad hasta 25000 impulsos
- Clase de protección: IP67, en la entrada del eje IP65
- Alto grado de seguridad mecánica y eléctrica
- Protección de conexión completa en 10 Vcc hasta 30 Vcc
- Alta frecuencia de salida 600 kHz/2 MHz
- Opcional:
-40 °C a +85 °C,
Clase de protección IP67 todo alrededor,
Membrana de compensación de presión
Longitud del eje: L: 26 mm
Permitida carga de los eje, radial: 200 N
Permitida carga de los eje, axial: 150 N
Consumo propio de corriente: typ. 70 mA (100 mA sólo F05, P05)
Consumo propio de corriente: typ. 70 mA
Consumo propio de corriente: typ. 70 mA (100 mA sólo F24, P24, 645)
Datos medioambientales
ESD (DIN EN 61000-4-2):
8 kV
Burst (DIN EN 61000-4-4):
2 kV
includes EMC:
DIN EN 61000-6-2
DIN EN 61000-6-3
Vibración:
(DIN EN 60068-2-6)
50 m/s2 (10 Hz - 2000 Hz)
Shock:
(DIN EN 60068-2-27)
1000 m/s2 (6 ms)
Electrial Safety:
according DIN VDE 0160
Información arancelaria aduanera
Número de arancel aduanero:
90318020
País de origen:
Alemania
1 Vpp Sin/Cos: -10 °C a +70 °C
El fichero STEP que desea no figura en la lista:
Solicitud de ficheros STEP aquí
| Descripción | ABN compl. pos. | |
|---|---|---|
| K2 | axial, Malla abierta | ● |
| L2 | axial, Malla conectada conductivamente con la carcasa del encoder | ● |
| K2, L2 | K2, L2 | L2 | |
| Circuito | F05, H05, F24, H24, H30 | P05, R05, P24, R24, 245, 645, R30 | SIN |
| GND | WH | WH | WH |
| (+) Vcc | BN | BN | BN |
| A | GN | GN | GN |
| B | YE | YE | GY |
| N | GY | GY | - |
| - | - | - | - |
| A complem. | - | RD | YE |
| B complem. | - | BK, (BU a ACA) | PK |
| N complem. | - | VT | - |
| Malla | cordón | cordón | cordón |
El fichero STEP que desea no figura en la lista:
Solicitud de ficheros STEP aquí
| Descripción | ABN compl. pos. | |
|---|---|---|
| K3 | radial, Malla abierta | ● |
| L3 | radial, Malla conectada conductivamente con la carcasa del encoder | ● |
| K3, L3 | K3, L3 | L3 | |
| Circuito | F05, H05, F24, H24, H30 | P05, R05, P24, R24, 245, 645, R30 | SIN |
| GND | WH | WH | WH |
| (+) Vcc | BN | BN | BN |
| A | GN | GN | GN |
| B | YE | YE | GY |
| N | GY | GY | - |
| - | - | - | - |
| A complem. | - | RD | YE |
| B complem. | - | BK, (BU a ACA) | PK |
| N complem. | - | VT | - |
| Malla | cordón | cordón | cordón |
El fichero STEP que desea no figura en la lista:
Solicitud de ficheros STEP aquí
| Descripción | ABN compl. pos. | |
|---|---|---|
| SI5 | axial, 5-polos, Conector conectado conductivamente con la carcasa del encoder | - |
| SI6 | axial, 6-polos, Conector conectado conductivamente con la carcasa del encoder | - |
| SI8 | axial, 8-polos, Conector conectado conductivamente con la carcasa del encoder | ● |
| SI12 | axial, 12-polos, Conector conectado conductivamente con la carcasa del encoder | ● |
| SI5 | SI6 | SI8 | SI8 | SI12 | SI12 | |
| 5-polos | 6-polos | 8-polos | 8-polos | 12-polos | 12-polos | |
| Diagrama de conectores | ![]() | ![]() | ![]() | ![]() | ||
| Circuito | F05, H05, F24, H24, H30 | F05, H05, F24, H24, H30 | P05, R05, P24, R24, R30, 245, 645 | SIN | P05, R05, P24, R24, 245, 645, R30 | SIN |
| GND | 1 | 6 | 1 | 1 | K, L | K, L |
| (+) Vcc | 2 | 1 | 2 | 2 | M, B | M, B |
| A | 3 | 2 | 3 | 3 | E | E |
| B | 4 | 4 | 4 | 4 | H | H |
| N | 5 | 3 | 5 | - | C | - |
| - | - | - | - | - | - | - |
| A complem. | - | - | 6 | 6 | F | F |
| B complem. | - | - | 7 | 7 | A | A |
| N complem. | - | - | 8 | - | D | - |
| n. c. | - | 5 | - | 5, 8 | G, J | D, G, J |
| Malla | - | - | - | - | - | - |
El fichero STEP que desea no figura en la lista:
Solicitud de ficheros STEP aquí
| Descripción | ABN compl. pos. | |
|---|---|---|
| SH5 | radial, 5-polos, Conector conectado conductivamente con la carcasa del encoder | - |
| SH6 | radial, 6-polos, Conector conectado conductivamente con la carcasa del encoder | - |
| SH8 | radial, 8-polos, Conector conectado conductivamente con la carcasa del encoder | ● |
| SH12 | radial, 12-polos, Conector conectado conductivamente con la carcasa del encoder | ● |
| SH5 | SH6 | SH8 | SH8 | SH12 | SH12 | |
| 5-polos | 6-polos | 8-polos | 8-polos | 12-polos | 12-polos | |
| Diagrama de conectores | ![]() | ![]() | ![]() | ![]() | ||
| Circuito | F05, H05, F24, H24, H30 | F05, H05, F24, H24, H30 | P05, R05, P24, R24, R30, 245, 645 | SIN | P05, R05, P24, R24, 245, 645, R30 | SIN |
| GND | 1 | 6 | 1 | 1 | K, L | K, L |
| (+) Vcc | 2 | 1 | 2 | 2 | M, B | M, B |
| A | 3 | 2 | 3 | 3 | E | E |
| B | 4 | 4 | 4 | 4 | H | H |
| N | 5 | 3 | 5 | - | C | - |
| - | - | - | - | - | - | - |
| A complem. | - | - | 6 | 6 | F | F |
| B complem. | - | - | 7 | 7 | A | A |
| N complem. | - | - | 8 | - | D | - |
| n. c. | - | 5 | - | 5, 8 | G, J | D, G, J |
| Malla | - | - | - | - | - | - |
El fichero STEP que desea no figura en la lista:
Solicitud de ficheros STEP aquí
| Descripción | ABN compl. pos. | |
|---|---|---|
| S2 | axial, 7-polos, Conector conectado conductivamente con la carcasa del encoder | - |
El fichero STEP que desea no figura en la lista:
Solicitud de ficheros STEP aquí
| Descripción | ABN compl. pos. | |
|---|---|---|
| S3 | radial, 7-polos, Conector conectado conductivamente con la carcasa del encoder | - |
El fichero STEP que desea no figura en la lista:
Solicitud de ficheros STEP aquí
| Descripción | ABN compl. pos. | |
|---|---|---|
| S4 | axial, 12-polos, Conector conectado conductivamente con la carcasa del encoder | ● |
El fichero STEP que desea no figura en la lista:
Solicitud de ficheros STEP aquí
| Descripción | ABN compl. pos. | |
|---|---|---|
| S5 | radial, 12-polos, Conector conectado conductivamente con la carcasa del encoder | ● |
El fichero STEP que desea no figura en la lista:
Solicitud de ficheros STEP aquí
| Descripción | ABN compl. pos. | |
|---|---|---|
| S4R | axial, 12-polos, Conector conectado conductivamente con la carcasa del encoder | ● |
El fichero STEP que desea no figura en la lista:
Solicitud de ficheros STEP aquí
| Descripción | ABN compl. pos. | |
|---|---|---|
| S5R | radial, 12-polos, Conector conectado conductivamente con la carcasa del encoder | ● |
El fichero STEP que desea no figura en la lista:
Solicitud de ficheros STEP aquí
| Descripción | ABN compl. pos. | |
|---|---|---|
| SB4 | axial, 4-polos, Conector conectado conductivamente con la carcasa del encoder | - |
| SB5 | axial, 5-polos, Conector conectado conductivamente con la carcasa del encoder | - |
| SB8 | axial, 8-polos, Conector conectado conductivamente con la carcasa del encoder | ● |
| SB12 | axial, 12-polos, Conector conectado conductivamente con la carcasa del encoder | ● |
| SB4 | SB5 | SB8 | SB8 | SB12 | |
| 4-polos | 5-polos | 8-polos | 8-polos | 12-polos | |
| Diagrama de conectores | ![]() | ![]() | ![]() | ![]() | |
| Circuito | F05, H05, F24, H24, H30 | F05, H05, F24, H24, H30 | P05, R05, P24, R24, R30, 245, 645 | SIN | P05, R05, P24, R24, 245, 645, R30 |
| GND | 3 | 3 | 1 | 1 | 3 |
| (+) Vcc | 1 | 1 | 2 | 2 | 1 |
| A | 2 | 4 | 3 | 3 | 4 |
| B | 4 | 2 | 4 | 5 | 6 |
| N | - | 5 | 5 | - | 8 |
| - | - | - | - | - | - |
| A complem. | - | - | 6 | 4 | 9 |
| B complem. | - | - | 7 | 6 | 7 |
| N complem. | - | - | 8 | - | 10 |
| n. c. | - | - | - | 7, 8 | 2, 5, 11, 12 |
| Malla | - | - | - | - | - |
El fichero STEP que desea no figura en la lista:
Solicitud de ficheros STEP aquí
| Descripción | ABN compl. pos. | |
|---|---|---|
| SC4 | radial, 4-polos, Conector conectado conductivamente con la carcasa del encoder | - |
| SC5 | radial, 5-polos, Conector conectado conductivamente con la carcasa del encoder | - |
| SC8 | radial, 8-polos, Conector conectado conductivamente con la carcasa del encoder | ● |
| SC12 | radial, 12-polos, Conector conectado conductivamente con la carcasa del encoder | ● |
| SC4 | SC5 | SC8 | SC8 | SC12 | |
| 4-polos | 5-polos | 8-polos | 8-polos | 12-polos | |
| Diagrama de conectores | ![]() | ![]() | ![]() | ![]() | |
| Circuito | F05, H05, F24, H24, H30 | F05, H05, F24, H24, H30 | P05, R05, P24, R24, R30, 245, 645 | SIN | P05, R05, P24, R24, 245, 645, R30 |
| GND | 3 | 3 | 1 | 1 | 3 |
| (+) Vcc | 1 | 1 | 2 | 2 | 1 |
| A | 2 | 4 | 3 | 3 | 4 |
| B | 4 | 2 | 4 | 5 | 6 |
| N | - | 5 | 5 | - | 8 |
| - | - | - | - | - | - |
| A complem. | - | - | 6 | 4 | 9 |
| B complem. | - | - | 7 | 6 | 7 |
| N complem. | - | - | 8 | - | 10 |
| n. c. | - | - | - | 7, 8 | 2, 5, 11, 12 |
| Malla | - | - | - | - | - |
hasta 2500 ppr
hasta 5000 ppr
(mayor frecuencia) 1200 hasta 25000 ppr
1024, 2048 ppr
| N° máx. rev.: | 3200 rpm |
| Carga permitida sobre el eje, axial: | 110 N |
| Carga permitida sobre el eje, radial: | 110 N |
| N° máx. de impulsos: | 25000 ppr |
| Momento de arranque: | aprox. 5 Ncm a temp. ambiente |
De forma opcional, el encoder WDGI 70B también está disponible con una membrana de compensación de la presión. Esto evita que con niveles de humedad elevados el agua pueda penetrar en la carcasa del encoder. Se mantienen la clase de protección hasta IP67, el rango de temperatura y la resistencia a la niebla salina. Resistente a los productos químicos y a los disolventes de acuerdo con DIN EN ISO2812-1
Cuando realice el pedido complemente el número de pedido con un número de 3 cifras que indica la longitud en decímetros.
Ejemplo: Longitud de cable 5 m = 050

- Die-cast aluminium housing, powder coated
- Maximum bearing loads of up to 500 N, axial / radial
- Self-adhesive membrane
- High output frequency 600 kHz / 2 MHz
- Extended operating temperature -40 °C to +85 °C

- Incremental and absolute encoders
- Digital shaft copying
- Made in Germany
- Motorfeedback
- Position Measurement Systems

Conector (hembra) KI-4-67:
Adaptada a los encoders con conectores del sensor SB4 y SC4, 4-polos, IP67
Cable confeccionado apantallado con conector (hembra) recta,
malla conectada.

Conector (hembra) KIA-4-67:
Adaptada a los encoders con conectores del sensor SB4 y SC4, 4-polos, IP67
Cable confeccionado apantallado con conector (hembra) de ángulo recto, malla conectada.

Conector (hembra) KI-5-67:
Adaptada a los encoders con conectores del sensor SB5 y SC5, 5-polos, IP67.
Cable confeccionado apantallado con conector (hembra, recta),
malla conectada.

Conector (hembra) KIA-5-67:
Adaptada a los encoders con conectores del sensor SB5 y SC5, 5-polos, IP67.
Cable confeccionado apantallado con conector (hembra) ángulo recto, malla conectada .

Conector (hembra) KD-5-40:
Adaptada a los encoders con conectores SI/SH, 5-polos, IP40
Conector (hembra, recta) o cable confeccionado con conector (hembra, recta).
Con rosca interior M16 x 0.75.

Conector (hembra) KD-5-67:
Adaptada a los encoders con conectores SI/SH, 5-polos, IP67
Conector (hembra, recta) o cable confeccionado con conector (hembra, recta).
Con rosca interior M16 x 0.75.

Conector (hembra) KDA-6-67:
Adaptada a los encoders con conectores SI/SH, 6-polos, IP67
Conector (hembra) angulo recto o
cable confeccionado con conector (hembra) angulo recto.

Conector (hembra) KD-7-40:
Adaptada a los encoders con conectores S2/S3, 7-polos, IP40
Conector (hembra, recta) o
cable confeccionado con conector (hembra, recta).
Con rosca interior M16 x 0.75.

Conector (hembra) KDA-7-40:
Adaptada a los encoders con conectores S2/S3, 7-polos, IP40
Conector (hembra) angulo recto o
cable confeccionado con conector (hembra) angulo recto.
Con rosca interior M16 x 0.75.

Conector (hembra) KD-7-67:
Adaptada a los encoders con conectores S2/S3, 7-polos, IP67
Conector (hembra, recta) o
cable confeccionado con conector (hembra, recta).
Con rosca interior M16 x 0.75.

Conector (hembra) KDA-7-67:
Adaptada a los encoders con conectores S2/S3, 7-polos, IP67
Conector (hembra) angulo recto o
cable confeccionado con conector (hembra) angulo recto. Con rosca interior M16 x 0.75.

Conector (hembra) KI-8-67:
Adaptada a los encoders con conectores del sensor SB8 y SC8, 8-polos, IP67
Cable confeccionado apantallado con conector (hembra, recta),
malla conectada.

Conector (hembra) KIA-8-67:
Adaptada a los encoders con conectores del sensor SB8 y SC8, 8-polos, IP67
Cable confeccionado apantallado con conector (hembra, ángulo recto),
malla conectada.

Conector (hembra) KD-8-40:
Adaptada a los encoders con conectores SI/SH, 8-polos, IP40
Conector (hembra, recta) o
cable confeccionado con conector (hembra, recta).

Conector (hembra) KD-8-67:
Adaptada a los encoders con conectores SI/SH, 8-polos, IP67
Conector (hembra, recta) o
cable confeccionado con conector (hembra, recta).

Conector (hembra) KDA-8-67:
Adaptada a los encoders con conectores SI/SH, 8-polos, IP67
Conector (hembra) angulo recto o
cable confeccionado con conector (hembra) angulo recto. Con rosca interior M16 x 0.75.

Conector (hembra) KDA-8-67-S:
Adaptada a los encoders con conectores SI/SH, 8-polos, IP67
Conector (hembra) angulo recto, blindaje posible o
cable confeccionado con conector (hembra) angulo recto, completamente blindado.

Conector (hembra) KI-12-67:
Adaptada a los encoders con conectores del sensor SB12 y SC12, 12-polos, IP67
Cable confeccionado apantallado con conector (hembra, recta),
malla conectada.

Conector (hembra) KIA-12-67:
Adaptada a los encoders con conectores del sensor SB12 y SC12, 12-polos, IP67
Cable confeccionado apantallado con conector (hembra, ángulo recto),
malla conectada.

Conector (hembra) KD-SH12-67:
Adaptada a los encoders con conectores SI/SH, 12-polos, IP67
Conector (hembra, recta) o
cable confeccionado con conector (hembra, recta).

Conector (hembra) KD-12-67:
Adaptada a los encoders con conectores S4/S5, S4R/S5R, 12-polos, IP67
Conector (hembra, recta) o
cable confeccionado con conector (hembra, recta).
Levógira o dextrógira.

Conector (hembra) KDA-12-67:
Adaptada a los encoders con conectores S4/S5, S4R/S5R, 12-polos, IP67
Conector (hembra) angulo recto o
cable confeccionado con conector (hembra) angulo recto.
Levógira o dextrógira.
Inserto hembra montable libremente.

Conector (hembra) KD-8-40-15-S-DIZ:
Para convertidor de frecuencia: Emotron
Adaptada a los encoders con salida de conectores SI8 y SH8, de 8-polos, IP40.
Conector (D-SUB de 15-polos, de 2-hileras).
Cable confeccionado apantallado con caja de conexión recta y conector D-SUB.
Conector (hembra)/de conectores conectada conductivamente con la pantalla.

Conector (hembra) KD-8-40-15-S-RST:
Para convertidor de frecuencia: RST
Adaptada a los encoders con salida de conectores SI8 y SH8, de 8-polos, IP40.
Conector (D-SUB de 15-polos, de 2-hileras).
Cable confeccionado apantallado con caja de conexión recta y conector D-SUB .
Carcasa de la caja/de conectores conectada conductivamente con la pantalla.

Conector (hembra) KD-8-40-15-S-SDR:
Para el control de: Schindler MX
Adaptada a los encoders con salida de conectores SI8 y SH8, de 8-polos, IP40.
Conector (D-SUB de 15-polos, de 2-hileras).
Cable confeccionado apantallado con caja de conexión recta y conector D-SUB.
Carcasa de la caja/de conectores conectada conductivamente con la pantalla.

Conector (hembra) KD-8-40-15-S-CTF:
Para convertidor de frecuencia: Control Techniques
Adaptada a los encoders con salida de conectores SI8 y SH8, de 8-polos, IP40.
Conector (D-SUB de 15-polos, de 3-hileras).
Cable confeccionado apantallado con caja de conexión recta y conector D-SUB.
Carcasa de la caja/de conectores conectada conductivamente con la pantalla.

Conector (hembra) KD-8-40-15-S-KEB:
Para convertidor de frecuencia: KEB
Adaptada a los encoders con salida de conectores SI8 y SH8, de 8-polos, IP40.
Conector (D-SUB de 15-polos, de 3-hileras).
Cable confeccionado apantallado con caja de conexión recta y conector D-SUB.
Carcasa de la caja/de conectores conectada conductivamente con la pantalla.

Conector (hembra) KD-8-40-15-S-LOH:
Para convertidor de frecuencia: Flender Loher Typo: Dynavert L
Adaptada a los encoders con salida de conectores SI8 y SH8, de 8-polos, IP40.
Conector (D-SUB de 15-polos, de 3-hileras).
Cable confeccionado apantallado con caja de conexión recta y conector D-SUB.
Carcasa de la caja/de conectores conectada conductivamente con la pantalla.

Conector (hembra) KD-8-40-15-S-LIF:
Para convertidor de frecuencia: Liftequip
Adaptada a los encoders con salida de conectores SI8 y SH8, de 8-polos, IP40.
Conector (D-SUB de 15-polos, de 2-hileras).
Cable confeccionado apantallado con caja de conexión recta y conector D-SUB.
Carcasa de la caja/de conectores conectada conductivamente con la pantalla.

Conector (hembra) KD-8-40-15-S-ZIL:
Para convertidor de frecuencia: Ziehl-Abegg
Adaptada a los encoders con salida de conectores SI8 y SH8, de 8-polos, IP40.
Conector (D-SUB de 15-polos, de 2-hileras).
Cable confeccionado apantallado con caja de conexión recta y conector D-SUB.
Carcasa de la caja/de conectores conectada conductivamente con la pantalla.

Acoplamiento de fuelle BK29
para encoders con eje Ø 6 mm, 8 mm, 10 mm o 12 mm*.
Desplazamiento máx. radial del eje: ± 0,25 mm o ± 0,30 mm*
Rigidez del resorte de giro: 150 Nm/rad o 130 Nm/rad*

Acoplamiento de cinta doble DSK38
para encoder con ejes Ø 6 mm, 8 mm, 10 mm o 12 mm.
Sin piezas móviles, con aislamiento térmico y eléctrico, marcha suave, sin mantenimiento.
Muy resistente contra:
gasolina, aceite, benceno, hidrocarburos aromáticos y no aromáticos, alcoholes, glicoles, disolventes y muchas sustancias químicas.

Acoplamiento de cinta doble DSK48
para encoder con ejes Ø 10 mm, 12 mm o 14 mm.
Sin piezas móviles, con aislamiento térmico y eléctrico, marcha suave, sin mantenimiento.
Muy resistente contra:
gasolina, aceite, benceno, hidrocarburos aromáticos y no aromáticos, alcoholes, glicoles, disolventes y muchas sustancias químicas.
Here you find a list of our distributors worldwide



































































